|
菜鳥入行
級別: 論壇先鋒
|
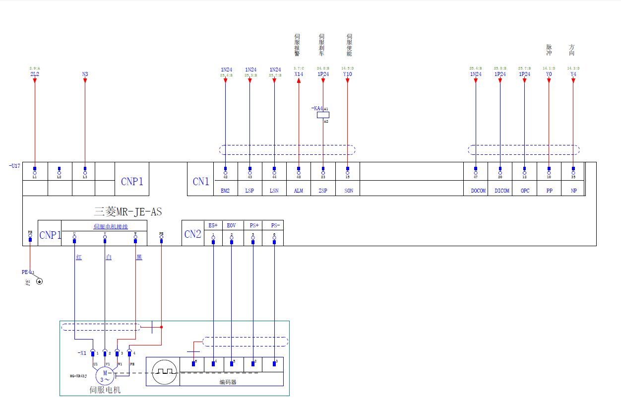
和FX3U一樣的 主要是: PLC脈沖Y0 連接伺服驅動器10號腳 ,PP PLC方向Y4 連接伺服驅動器35號腳 ,NP Y0和Y4的COM端,以及0V連接伺服的46號腳 24+連接伺服的20號腳和12號腳 看手冊 http://down.ymmfa.com/?id=400 拖到最后,看附錄 - 附錄1,有和J4的連接樣例, JE和J4的CN1一樣的。 |
|
|---|---|---|
|