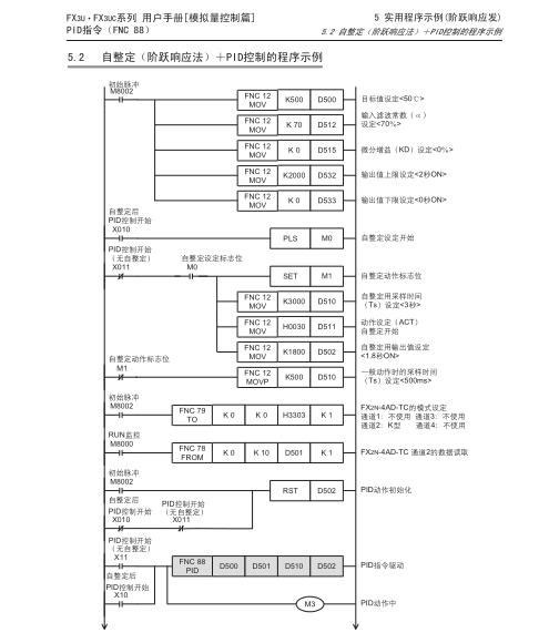
引用引用第2樓菜鳥入行于2020-09-22 17:09發表的 :X10 是自整定指令,應該需要按一下后彈起X11 是PID控制指令,是否要一直ON我暫時沒搞懂給您兩個建議1,這個程序中用的是FX2N-4AD-TC。 這部分你要修改一下,改成FX3U-4AD-TC-ADP2,剛開始弄的時候,建議使用5.3章節的“僅自整定(階躍響應法)”。 .......
主辦單位:上海明控機電科技有限公司
本站所有內容均為網友自行發布,不代表網站立場,如有爭議請與管理員聯系
工控人家園是公益論壇,不銷售任何資料軟件,不銷售會員和積分
刪貼、投訴電話:13816792706
遵守法律,文明發言 滬ICP備10210768號-2 滬公網安備31010802001143號