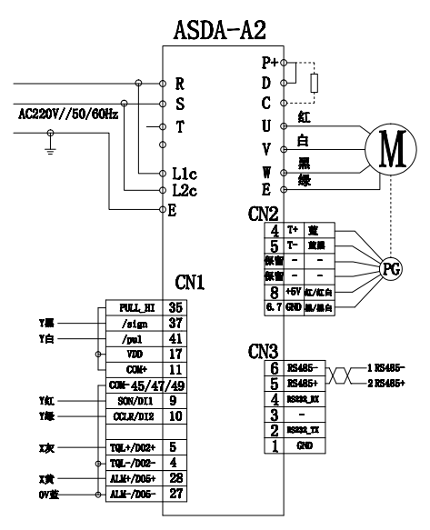
用的三菱FX3U,P1-00=2:;P2-10=101;P2-16=0:;P2-17=0
我用的是脈沖+方向的,不是把P1-00設為2嗎?
這些都已經弄好。之前是能夠正常運行的,然后把B2的換成A2伺服后就出現這種問題
恩恩,懂了。謝謝我用的是脈沖+方向的,不是把P1-00設為2嗎?
引用引用第10樓346743576于2017-10-21 09:36發表的 :上傳的密碼是默認的
主辦單位:上海明控機電科技有限公司
本站所有內容均為網友自行發布,不代表網站立場,如有爭議請與管理員聯系
工控人家園是公益論壇,不銷售任何資料軟件,不銷售會員和積分
刪貼、投訴電話:13816792706
遵守法律,文明發言 滬ICP備10210768號-2 滬公網安備31010802001143號